Hikvision DS-KIS604-P(C) Interfon inalambrico con cámara

video interfon inalambrico hikvision ip

Videoportero hikvision

  • Pantalla led color 7 pulgadas
  • Identificación segura del visitante y monitoreo del exterior en cualquier momento
  • Frente de calle a prueba de agua y polvo
  • Cuide a los suyos y a su patrimonio

Precio $ 4980 mxn *

* No incluye IVA.

Ficha tecnica o brochure hikvision DS-KIS604-P(C)
Ficha tecnica o brochure hikvision DS-KH6220-LE1 monitor pantalla
Compatible con app Hik connect

Video portero wifi

mn




SOPORTA CONEXIÓN DE MÚLTIPLES
MONITORES SE SUGIERE CONEXIÓN
A TRAVÉS DE SWITCH POE

 

videoportero hikvision conectado a varios monitores



mn

video interfon videoportero control de contrachapa




APERTURA DE PUERTA
DESDE EL INTERFON

Puede activar una contrachapa electromagnética
con solo oprimir un botón en la pantalla touch

mn

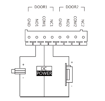
CONEXIONES EN EL REVERSO DEL MONITOR

Conexiones atrás del monitor

Hikvision interfon para video interfon videoportero

click en la imagen para agrandar


mn

vistas frente de calel zkteco

Click para agrandar

PARTES DEL VIDEOPORTERO

Contenido de la caja del kit de videportero IP Lite

mn

Como conectar frente de calle y monitor IP de HIKVISION Tutorial fácil y rápido

Video del interfon Como conectar

Cómo hacer configuración de frente de calle y monitor del videoportero IP HIKVISION en software ivms 4200

Configuracion con IVMS 4200